关于超声波热量表中流量传感器的结构与性能探讨(二)
三、超声波流量传感器性能分析
以下试验涉及到接收幅值的测试,除注明外,均使用如下条件:激励信号:1MHz,1V,发20个脉冲正弦波,用示波器测量信号。超声波流量传感器安装在传输距离为16cm的测试工装进行测试。测试所用超声波流量传感器的型号:奥迪威HQ0017系列的产品。
(一)超声波流量传感器在不同的使用温度下的性能变化
1.超声波流量传感器的谐振频率变化
流量传感器的谐振频率随着温度的升高呈下降趋势,其长期工作温度(80℃~90℃)下的频率相对于常温会下降13kHz~15kHz,如图1所示。温度恢复到常温后,谐振频率恢复到常温的水平。出现谐振频率变化的主要原因是换能片本身的变化,在温度升高的情况下,换能片本身的谐振频率是下降的,从而导致传感器谐振频率随温度上升而下降。

图1 频率随温度变化曲线
2.超声波流量传感器的阻抗变化
超声波流量传感器的阻抗随着温度的升高呈下降趋势,其长期工作温度(80℃~90℃)下的阻抗相对于常温会下降约4Ω~5Ω,如图2所示。温度恢复到常温后,阻抗会恢复到常温水平。

图2 阻抗随温度变化曲线
3.超声波流量传感器的电容变化
超声波流量传感器的电容随着温度的升高呈上升趋势,其长期工作温度(80℃~90℃)下的电容相对于常温会上升约25%,如图3所示。温度恢复到常温后,电容恢复到常温水平。电容这个参数在不同温度下的变化是由压电陶瓷材料的温度特性决定的。

图3 电容随温度变化曲线
4.超声波流量传感器接收幅值的变化(该实验是将流量传感器安装到DN20的管段上进行测试)
超声波流量传感器的发射/接收幅值随着温度的升高呈下降趋势,下降的幅度大约是30mV,如图4所示。这是因为温度升高后,频率和阻抗出现下降,电容上升,频率对电容发射/接收幅值的影响超过了阻抗和电容的影响,从而导致发射/接收幅值下降。但是在阻抗和电容的上升影响下,其下降的幅度不大。

图4 接收幅值随温度变化曲线
(二)超声波流量传感器在不同的压强下的性能变化
1.超声波流量传感器的谐振频率变化
超声波流量传感器的谐振频率在受到压力情况下,频率上升约12kHz,随着压强的增加基本保持不变,恢复到常压,频率也恢复到受压之前的水平。如图5所示。

图5 频率随压力变化曲线
2.超声波流量传感器的阻抗变化
超声波流量传感器的阻抗在开始受到压力时,明显上升,随着压强的增加,阻抗缓慢变小,受压结束后恢复至常压,阻抗恢复至原来的水平。

图6 阻抗随压力变化曲线
3.超声波流量传感器接收幅值的变化(该实验是将流量传感器安装到DN20的管段上进行测试,超声波传输距离14cm)
超声波流量传感器的发射/接收幅值随着压力的增加而下降,下降的幅度从常压到2.5MPa大约是40mV。这是因为在增加压力的条件下,换能片振动的阻力增加,从而导致接收幅值的下降。

图7 阻抗随压力变化曲线
(三)超声波流量传感器基本参数对发射/接收幅值的影响
1.超声波流量传感器的谐振频率对接收幅值的影响
在960kHz左右到达峰值后,发射/接收幅值呈逐渐下降的趋势。频率越高,接收幅值下降得越快,频率越低,接收幅值下降得较慢,在960kHz~970kHz的范围内幅值达到最大,如图8所示。超声波流量传感器要成对使用,不同的配对频率对接收幅值有明显影响,如图4所示。当接收的传感器谐振频率为低频时,发射的传感器谐振频率无论是高频还是低频,接收幅值都相对较高;当接收的传感器谐振频率为高频时,发射的传感器谐振频率无论是高频还是低频,接收幅值都相对较低。因此,当流量传感器的谐振频率在较低范围时(960kHz~970kHz),无论发射还是接收都能得到较高灵敏度。因此,传感器的谐振频率最好在960kHz~970kHz,并且发射和接收的两只传感器谐振频率相差不要超过±15kHz,否则就要进行谐振频率的配对使用。

图8 接收幅值与谐振频率关系图(相同谐振频率的传感器配对条件下)

图9 接收幅值与不同谐振频率配对关系图
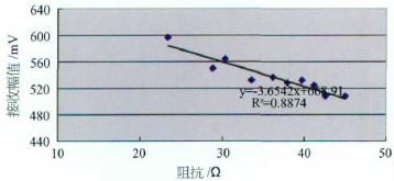
2.超声波流量传感器的阻抗对接收幅值的影响
超声波流量传感器的阻抗增加会导致接收幅值的下降,因此要控制阻抗大小,以提高接收幅值,如图10所示。

图10 接收幅值与阻抗关系
3.超声波流量传感器的电容对接收幅值的影响
超声波流量传感器的电容在1000pF时接收幅值达到最大,之后呈下降趋势,但是变化并不明显,如图11所示。

图11 接收幅值与电容关系图
关于产品选型、材料获取、商务技术合作,请随时与我们联系